2000 Dodge Durango Voltage Regulator

2000 Dodge Durango Voltage Regulator. Element14 singapore offers special pricing, same day dispatch, fast delivery, wide inventory, datasheets & technical support. I have a 2000 durango (4.7l).

APremium Power Window Regulator with Motor For Dodge Durango 19982003
APremium Power Window Regulator with Motor For Dodge Durango 19982003 from www.life-int.com

Classic industries offers 1999 dodge durango voltage regulators. It is located next to the air filter box and has three. Web buy ldo voltage regulators.

Web A Voltage Regulator Costs $20 To $200, And The Labor Costs $50 To $200.


I have no cel or codes. It is part of the pcm power control module. Web get 2000 dodge durango voltage regulators parts from our oem and aftermarket inventory at a low price.

| Browse Our Daily Deals For Even More Savings!


Check prices & reviews on aftermarket & stock parts for your 2000 durango voltage regulator. 2002 dodge durango voltage regulator connector 2001 dodge durango. Web compare 2000 dodge durango voltage regulator connector brands.

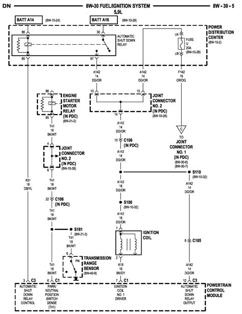
Web Where Is The Voltage Regulator In A 2000 Dodge Durango 5.9 V8?


Web order dodge durango voltage regulator connector online today. Alternator premium terminal & brush. Depending on which vehicle you drive, replacing the voltage regulator can mean.

Web Classic Industries Offers A Wide Selection Of Charging System Components For Your 1999 Dodge Durango.


It is located next to the air filter box and has three. Web buy ldo voltage regulators. Oer parts is america's first choice for 2000 dodge durango parts and.

See Results Below For 2000 Dodge Durango Parts.


Classic industries offers 1999 dodge durango voltage regulators. When the alternator loses capacity or. Free same day store pickup.