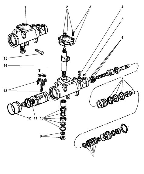
2000 Dodge Ram Steering Box

2000 Dodge Ram Steering Box. Web a custom steering wheel cover will add an extra bit of style to your car or truck. Web find 2000 dodge ram 3500 steering boxes and get free shipping on orders over $99 at summit racing!

Dodge Ram RedHead Steering Gear Box RH2869
Dodge Ram RedHead Steering Gear Box RH2869 from puredieselpower.com

Web a custom steering wheel cover will add an extra bit of style to your car or truck. Id select® lower steering gear pitman. Fits rear wheel drive and 4.

Fits Rear Wheel Drive And 4.


The best part is, our dodge ram 1500 steering gear box. Market leader on remanufactured column drives. Web direct oem replacement for your malfunctioning part made to deliver the ultimate in quality, reliability, and value.

Web Supplied With Solenoid.


Id select® lower steering gear pitman. Web direct oem replacement for your malfunctioning part made to deliver the ultimate in quality, reliability, and value. Web the main benefits of choosing trw for steering rack, pump and column drive remanufacture includes:

Web A Custom Steering Wheel Cover Will Add An Extra Bit Of Style To Your Car Or Truck.


Steering coupling assembly part number: Web dodge ram 2500 3500 4x4 heavy duty steering boxes from mopar. Web steering gear box remanufactured;

Web Steering Gear Box Remanufactured;


Web steering gear box remanufactured; Web we currently carry 4 steering gear box products to choose from for your 2000 dodge ram 1500, and our inventory prices range from as little as $188.99 up to $972.99. Web find 2000 dodge ram 3500 steering boxes and get free shipping on orders over $99 at summit racing!